德陽四星電子技術有限公司
關鍵詞:IO-Link、IO-Link中繼器、IO-Link延長器、IO-Link轉光纖
1、概述
在高度自動化的智能工廠中,IO-Link技術的優勢已被證明而且它非常有用。IO-Link通信標準使得從控制器到傳感器的傳輸過程變得更加透明,尤其在工業4.0的發展趨勢下,業界對IO-Link興趣日益增大。IO-Link通信標準提供了許多好處,最重要的是降低了機器的成本,使生產流程更有效,并能顯著提高了機器和系統的可用性,是物聯網系統中最基礎的現場環節。
眾所周知,IO-Link的最大傳輸距離為20米,這已經造成了IO-Link技術應用的瓶頸問題,針對現有技術的不足,提供一種不僅能夠延長IO-Link的最大傳輸距離,避免在此傳輸距離下通訊傳輸中的信號干擾和信號失真問題,而且能夠實現SIO模式和IO-Link模式之間雙向自動切換的支持SIO功能的IO-Link中繼器長線收發器。本文所介紹的方案可將IO-Link的電纜傳輸距離延長到1000米,或將IO-Link轉為光纖傳輸,則傳輸距離可延長到10公里。
本文所述內容的產品已由四星電子取得中國實用新型專利,專利號:ZL2021 2 0033996.1。四星電子根據該專利研發出了兩種產品:
IO-Link中繼器長線收發器IOL-1000,可將IO-Link的電纜傳輸距離延長到1000米。
IO-Link轉光纖適配器FO-IOL-S,使用光纖可將IO-Link的傳輸距離延長到10公里。
2、工作原理
2.1、原理框圖
如圖2-1所示,本方案分為A模塊和B模塊,A模塊連接IO-Link主站,B模塊連接IO-Link HUB或IO-Link從站設備,用一根5芯電纜連接A模塊和B模塊。從圖中可看出,其基本原理是將IO-Link接口的單端雙向傳輸方式轉換為差分雙向傳輸,這樣就可大大的延長IO-Link的傳輸距離。并能自適應IO-Link的通訊速率COM1(4.8Kbps)、COM2(38.4Kbps)、COM3(230.4Kbps),A模塊和B模塊之間的電纜最大長度可達1000米。

圖2-1 原理框圖
2.2、電路原理圖
如圖2-2所示,依次包括IO-Link主機接口CN1,IO-Link收發器U1,收發控制電路U2、U3,差分轉換及控制電路U5、U6、U7、U8、R2、C1,喚醒脈沖產生電路U4、U9、R3、C2,長線電纜接口CN2;長線電纜接口CN3,差分轉換及控制電路U14、U15、U16、U17、R4、C3,收發控制電路U11、U12、U13,喚醒脈沖接收電路U18、U12,IO-Link收發器U10,IO-Link從站設備接口CN4。電路延時小,僅為芯片的門延時時間,可以忽略不計,兼容任何IO-Link上層協議和軟件,可將IO-Link的最大傳輸距離由20米延長到1000米,并同時支持SIO功能。
A模塊主機接口CN1接收IO-Link主機來的IO-Link單端信號,經收發器U1轉換成單端的TTL信號,然后經U5、U6、U7、U8、R2、C1組成的差分轉換電路轉換成差分信號進行遠距離傳輸。B模塊收到A模塊的差分信號后,由差分轉換電路U14、U15、U16、U17、R4、C3轉換成TTL信號,再經收發器U10還原成IO-Link信號輸出到IO-Link從站設備接口CN4。反之B模塊的IO-Link從站設備接口接收到從站設備發送來的信號流程與上面所述亦相同。
圖2-2 電路原理圖
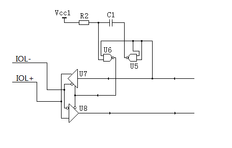
2.3、差分轉換及控制電路圖
如圖2-3所示,由與非門U5、U6控制電路和U6、U7差分發送器和差分接收器完成將TTL電平轉換成差分信號傳輸,合理選擇R2和C1的參數使其適應IO-Link的不同通訊速率COM1(4.8Kbps)、COM2(38.4Kbps)、COM3(230.4Kbps)。

圖2-3 差分轉換及控制電路圖
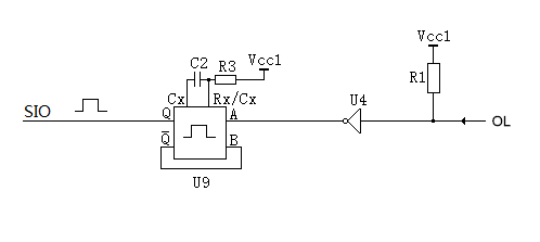
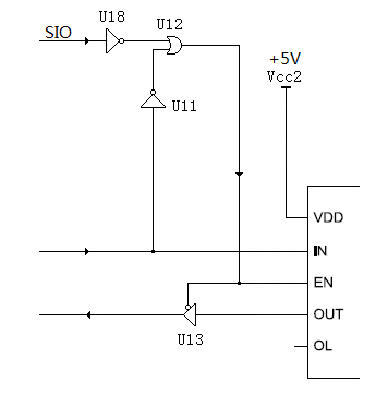
2.4、喚醒脈沖產生電路圖和喚醒脈沖接收電路圖
如圖2-4和圖2-5所示,許多IO-Link從站設備初始上電時為SIO狀態,在IO-Link中繼器長線收發器中如何按照主機的命令將其轉換成IO-Link通訊狀態,喚醒脈沖產生電路和喚醒脈沖接收電路可以實現這樣的轉換:當主機發出喚醒命令時,其過流事件會在A模塊的U1的OL引腳產生一個低電平信號,該信號被非門電路U4反相后輸出給單穩態電路U9,由U9和R3、C2產生一個短暫的喚醒脈沖,經接口CN2、長線電纜、輸出給B模塊接口CN3,經U18反相后輸入給或門電路U12,控制收發器U10的使能控制引腳EN為高電平,從而將主機的喚醒脈沖發送給連接在CN4上的IO-Link從站設備,將其喚醒轉換成IO-Link通訊模式。
圖2-4喚醒脈沖產生電路圖
圖2-5喚醒脈沖接收電路圖
3、IO-Link中繼器長線收發器連接拓撲
圖3-1是四星電子的IO-Link中繼器長線收發器的產品實物照片,需成對使用,圖3-2是該產品的應用連接拓撲,可將IO-Link最大傳輸距離延長到1000米。
圖3-1 IO-Link中繼器實物照片
圖3-2 IO-Link中繼器長線收發器連接拓撲
4、無需外接電源的IO-Link中繼器連接拓撲
圖4-1是四星電子的無需外接電源的IO-Link中繼器產品實物照片,可單個或二個使用,圖4-2是該產品的應用連接拓撲。使用一個可將IO-Link最大通訊距離延長到100米并且支持SIO;使用二個可將IO-Link最大通訊距離延長到300米,不支持SIO。通訊速率COM1(4.8Kbps)、COM2(38.4Kbps)、COM3(230.4Kbps)自適應。

圖4-1 無需外接電源的IO-Link中繼器實物照片

圖4-2 IO-Link中繼器連接拓撲
5、IO-Link轉光纖適配器連接拓撲
圖5-1是四星電子的IO-Link轉光纖適配器的產品實物照片,需成對使用,圖5-2是該產品的應用連接拓撲,使用單模光纖可將IO-Link最大傳輸距離延長到10km。
圖5-1 IO-Link轉光纖適配器

圖5-2 IO-Link轉光纖適配器連接拓撲
文章下載地址:http://www.www.bjhuyou.cn/shows/29/75.html
德陽四星電子技術有限公司
地 址:四川省德陽市廬山南路二段88號H棟二樓
電 話:0838-2515543 傳真:0838-2515546
網 址:http://www.www.bjhuyou.cn

